Технические характеристики
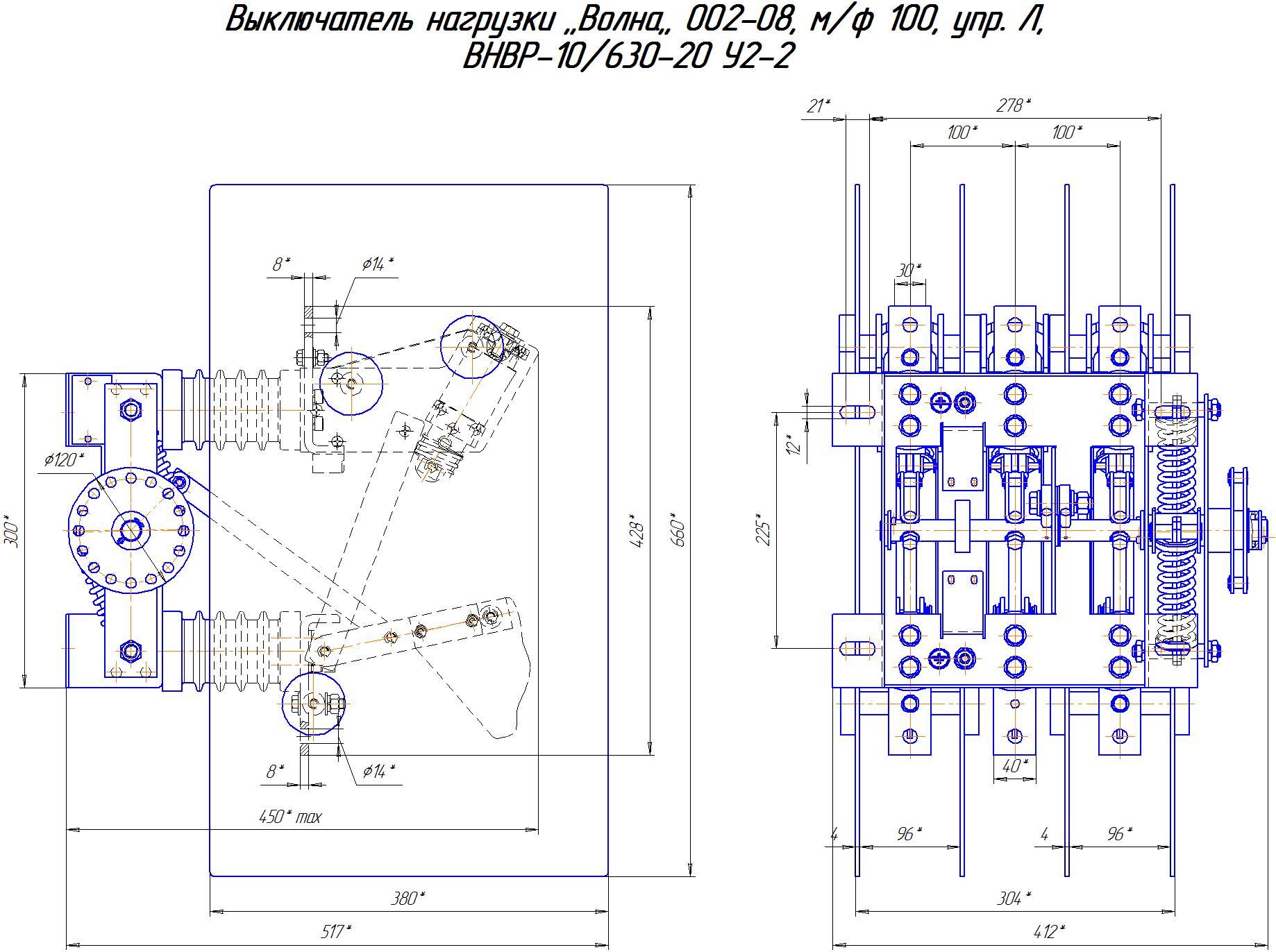
Габаритные размеры и чертежи
Возможные варианты поставки
Индивидуальные решения
Наименование параметра, единица измерения Показатель
Технические характеристики
Номинальное напряжение 10кВ
Наибольшее рабочее напряжение 12кВ
Межфазное расстояние (различные варианты исполнения) 100мм
Наибольшее рабочее напряжение:
- между фазами и с фазы на землю 42 кВ
- между разомкнутыми контактами одной и той же фазы 48 кВ
Испытательное напряжение грозового импульса, кВ, ампл 75
Номинальный ток, А 630
Номинальный ток отключения при cos φ=0,7, A 630
Сквозные токи короткого замыкания
- среднеквадратичное значение за время протекания, кА 20
- время протекания, с 1
- наибольший пик, кА 51
Нормированные параметры тока включения
- наибольший пик, кА 51
- начальное действующее значение периодической составляющей, кА 20
Коммутационный ресурс при номинальном токе 630 А, cos φ=0,7, циклы В-t п-О 10000
Механическая износостойкость, циклы В-t п-О 10000
Срок службы, лет 30
Гарантийный срок, лет 5
Габаритные размеры транспортной упаковки ВНВР
Ширина 750 мм
Длина 850 мм
Высота 525 мм
Вес 35 кг до 40 кг (в зависимости от комплектации)
Выключатель нагрузки ВНВР "Волна" -10/630-20 У2, м/ф 100 мм, Управление Л
Габариты
412х428х450
Конструктивное исполнение
ЗН сверху или снизу
Вес
31
Расположение привода
Левое
Скачать чертежи
Привод ПРС-10
Предназначен для управления выключателем нагрузки ВНВР-10/630-20 У2. Комплектуется съемным рычагом, имеет механическую блокировку от случайного включения.
Привод ПЭМ
ПЭМ - привод электромеханический предназначен для дистанционного и местного включения и отключения выключателя ВНВР-10. Привод ПЭМ позволяет выполнять операции включения и отключения выключателя на месте, путем воздействия на кнопки управления реверсивного пускателя, или дистанционно - от кнопочного поста, подключаемого к клеммному ряду привода. Привод позволяет также выполнять операции включения -отключения вручную с помощью съемного рычага.
Индивидуальные решения под заказ
Уточните свои пожелания, в зависимости от требуемых условий и характеристик. Возможно, мы уже готовы предложить Вам, оборудование под Вашу спецификацию. Заполните и отправьте нам опросный лист, и наши специалисты свяжутся с Вами в кротчайшие сроки.
Скачать опросный лист ВНВР