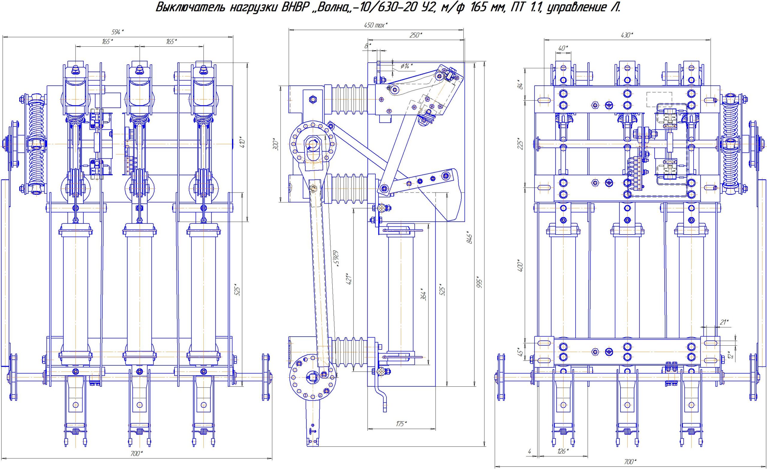
Вакуумный выключатель нагрузки ВНВР “Волна” -10/630-20 У2, м/ф 165 мм, ПТ 1.1, управление П является коммутационным устройством. Он предназначен для контролируемого включения или отключения электрических цепей в режиме нагрузки. Работа устройства основана на размыкании и замыкании контактов с обеспечением требуемых изоляционных расстояний. Конструкция рассчитана на стабильную коммутацию номинальных токов без повреждения контактной группы. Аппарат не предназначен для отключения токов короткого замыкания и используется совместно с защитными устройствами.
Цифра “10” в наименовании, обозначает допустимость использования выключателя в сетях 10 кВ. Значение 630 указывает на номинальный ток в амперах. Показатель “20” соответствует допустимому условному току термической стойкости. Климатическое исполнение У2 допускает эксплуатацию в помещениях или под навесом в умеренном климате. Межфазное расстояние 165 мм обеспечивает электрическую прочность при компактном размещении. Параметр ПТ 1.1 говорит о показателях устойчивости к воздействиям механического и электрического типа. Управление типа «П» предусматривает привод с фиксированными положениями для надежной коммутации.
Выключатель нагрузки ВНВР «Волна»-10/630-20 У2 применяется в распределительных устройствах 6–10 кВ. Он используется в комплектных трансформаторных подстанциях, КРУ, КСО. Соответствует требованиям ГОСТ 17717 и ТУ 3414-003-11567922-2005. Узнать цену на ВНВР вы можете, связавшись с менеджером компании любым удобным способом. При работе с заказчиками, предоставляем комплексное обслуживание, доставку, гарантию качества.

| Наименование параметра, единица измерения | Показатель |
|---|---|
| Технические характеристики | |
| Номинальное напряжение | 10кВ |
| Наибольшее рабочее напряжение | 12кВ |
| Межфазное расстояние (различные варианты исполнения) | 100мм |
| Наибольшее рабочее напряжение: | |
| - между фазами и с фазы на землю | 42 кВ |
| - между разомкнутыми контактами одной и той же фазы | 48 кВ |
| Испытательное напряжение грозового импульса, кВ, ампл | 75 |
| Номинальный ток, А | 630 |
| Номинальный ток отключения при cos φ=0,7, A | 630 |
| Сквозные токи короткого замыкания | |
| - среднеквадратичное значение за время протекания, кА | 20 |
| - время протекания, с | 1 |
| - наибольший пик, кА | 51 |
| Нормированные параметры тока включения | |
| - наибольший пик, кА | 51 |
| - начальное действующее значение периодической составляющей, кА | 20 |
| Коммутационный ресурс при номинальном токе 630 А, cos φ=0,7, циклы В-t п-О | 10000 |
| Механическая износостойкость, циклы В-t п-О | 10000 |
| Срок службы, лет | 30 |
| Гарантийный срок, лет | 5 |
| Габаритные размеры транспортной упаковки ВНВР | |
| Ширина | 750 мм |
| Длина | 850 мм |
| Высота | 525 мм |
| Вес | 35 кг до 40 кг (в зависимости от комплектации) |