Выключатель ВНВР «Волна» – три в одном, обеспечивает включение и отключение под нагрузкой участков цепи трехфазного переменного тока частотой 50-60 Гц, номинальным напряжением 6-10 кВ, с заземленной или изолированной нейтралью, а также заземление отключенных участков при помощи встроенных ножей заземлителей.
В отключенном положении выключатель образует видимый разрыв, т.е. выполняет функции разъеденителя. Выключатели изготавливаются в соответствие с требованиями ГОСТ 17717 и ТУ3414-003-11567922-2005. ВНВР объединяет в себе функции выключателя и разъединителя – обеспечивает гашение дуги, видимый разрыв, заземление.

| Наименование параметра, единица измерения | Показатель |
|---|---|
| Технические характеристики | |
| Номинальное напряжение | 10кВ |
| Наибольшее рабочее напряжение | 12кВ |
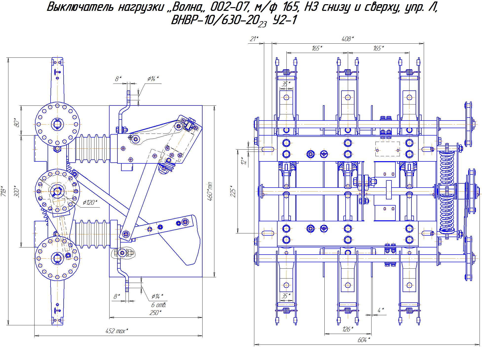
| Межфазное расстояние (различные варианты исполнения) | 100мм |
| Наибольшее рабочее напряжение: | |
| - между фазами и с фазы на землю | 42 кВ |
| - между разомкнутыми контактами одной и той же фазы | 48 кВ |
| Испытательное напряжение грозового импульса, кВ, ампл | 75 |
| Номинальный ток, А | 630 |
| Номинальный ток отключения при cos φ=0,7, A | 630 |
| Сквозные токи короткого замыкания | |
| - среднеквадратичное значение за время протекания, кА | 20 |
| - время протекания, с | 1 |
| - наибольший пик, кА | 51 |
| Нормированные параметры тока включения | |
| - наибольший пик, кА | 51 |
| - начальное действующее значение периодической составляющей, кА | 20 |
| Коммутационный ресурс при номинальном токе 630 А, cos φ=0,7, циклы В-t п-О | 10000 |
| Механическая износостойкость, циклы В-t п-О | 10000 |
| Срок службы, лет | 30 |
| Гарантийный срок, лет | 5 |
| Габаритные размеры транспортной упаковки ВНВР | |
| Ширина | 750 мм |
| Длина | 850 мм |
| Высота | 525 мм |
| Вес | 35 кг до 40 кг (в зависимости от комплектации) |